

全国免费客服电话 135-2433-6395 邮箱:info@monotion.com
手机:135-2433-6395
电话:+86-21-61180596
地址:上海闵行区万芳路333号1号楼7层A座
发布时间:2025-12-12 13:54:11 人气:
电机振动问题会影响设备性能和使用寿命。由于所有步进电机都存在固有共振频率,因此需在设备设计初期采取针对性措施来消除振动隐患。电机振动大的原因:步进电机的机械结构特性会导致转子在运动过程中产生微量位移偏差。当转子在惯性作用下越过目标位置时,会引发周期性振荡现象,这种振荡形成的特定频率若与电机固有频率吻合,就会产生共振并伴随噪音。当共振能量超过定子与转子间磁场的保持力时,将导致电机失步现象。以下便详细介绍电机振动大的处理方法。
电气减振法
该节主要介绍如何预防步进电机共振现象,需特别说明,从电机物理特性、电气参数到运行参数均可进行优化调节,建议根据实际工况谨慎评估每种方案的适用性,对于特殊应用场景,建议咨询专业技术人员。
1、调整运行频率:当共振现象出现在特定转速区间时,通过调整换向频率避开固有共振频率是最直接的解决方案,此方法虽受限于部分应用场景,但在可行条件下不仅能消除共振,还可提升系统运行效率。
2、控制微步细分:微步技术通过提高步距角细分度来实现振动抑制。传统整步运行时,线圈通断引起的磁通突变易造成转子过冲,微步控制通过梯度式调节线圈激励能量,使定子磁场实现连续渐变,有效降低磁通变化率。该技术既可减少振动噪声,又能提升运动分辨率。
3、优化电流优化:在医疗设备、机器人关节等低速应用场景中,适当降低驱动电流可改善运行平稳性。电流量级减小虽会降低输出扭矩及扭矩刚度系数(dτ/dθ),但能有效控制转子动能,实施时需确保保留足够扭矩裕量,避免引发次生控制问题。
4、电感补偿技术:电机运行过程中,共振产生的交流感应电流会与驱动直流电流形成叠加干扰,通过增加绕组电感参数,可改变系统谐振特性,实现谐振频率偏移或振幅抑制。
5、电流衰减优化:快速电流衰减机制能有效改善振动特性。在换向过程中,电流方向切换时的瞬时衰减可降低残余电流干扰,避免双路电流信号叠加引发的扭矩脉动。对比实验表明,采用快速衰减模式可显著降低运行振动(详见附图1)。

图1.来自电机驱动器的电流信号
实现两相R绕组
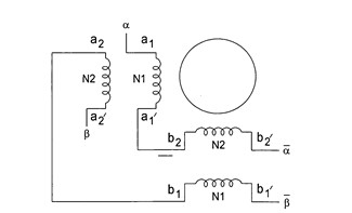
在混合式步进电机中,定子采用两相绕组结构,其线圈空间分布相差90°角度。传统步进绕组系统的相位切换按45°步距角递增,具体序列为:0°、45°、90°、135°、180°、225°、270°、315°。在相位差45°工况下,A/B两相绕组同时通电;当相位差调整为90°时,仅单相绕组处于激励状态。

图2.R型绕组的相图
单相导通与双相导通模式因电流分布差异产生不同的稳定周期特性,其稳定时间的不一致性易诱发共振现象。R型绕组电机采用特殊极槽结构,每磁极配置两组差异化匝数线圈。线圈组采用异向串联绕制工艺(首组线圈末端与次组线圈起始端连接),通过22.5°电气相位偏移设计,实现振动噪声的有效抑制。该绕组拓扑创新性地引入八分频相位序列(22.5°、67.5°、112.5°、157.5°、202.5°、247.5°、292.5°、337.5°),消除单相激励工况。驱动系统始终保持双相绕组通电状态,通过电流均衡分配确保各步进周期稳定时间一致性,从而显著降低共振风险。


图3.R型绕组的绕组设置
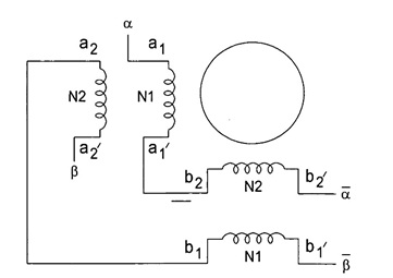
采用T型绕组连接是抑制共振的有效技术方案。该拓扑结构通过维持双相持续通电的工作模式,其振动抑制机理与R型绕组具有等效性——双相激励模式可有效降低系统谐振概率。该连接方式的电气特性表现为绕组电感值介于全串联与全并联配置之间。这种折衷设计使T型拓扑在低速工况呈现优于并联连接的转矩输出能力,同时在高速运行阶段保持较串联模式更强的扭矩保持特性。


图4.T型连接的绕组设置
通常而言,增加电机相位数可有效抑制共振现象。相位数越多的电机步距角越小,其原理与微步进驱动技术相似。当相位数增加时,驱动转子旋转所需的激磁能量相应降低,从而有效消除共振问题。以两相电机与五相电机为例:两相电机采用8极结构(每相4极),而五相步进电机采用10极结构(每相2极)。在五相电机中,转子每次仅需移动1/10齿距即可与下一相磁极对齐,这使得单圈旋转可实现500个步进周期(步距角0.72°)。由于更高的角分辨率降低了单个步进所需的激磁能量,转子运动过程中的过冲现象得到有效控制。若配合微步进驱动技术,五相电机可实现更精细的步进分辨率,从而显著降低运行振动。
机械减振方法
通过优化电机机械结构可有效抑制振动,其中在电机轴端安装阻尼器是常用方法。该阻尼器在吸收振动能量的同时会增加系统转动惯量,从而形成稳定的阻尼机制。此外,采用法兰安装座可增强结构对振动的吸收能力。

图5.NEMA23机械阻尼器
另一种机械减振方法是通过调节转子惯量实现振动抑制。负载惯量的调节作用会改变系统共振频率特性,工程师可通过以下方式优化转子惯量:选用不同材料、调整几何尺寸(如增加转子长度)或采用特定叠层结构(参见图4)。这些调整可改变系统共振频率,从而有效降低振动幅度。

图6.低惯性转子设计
通过调节转子与定子齿槽间的气隙尺寸,可有效控制转矩刚度参数。如技术规范所述,这种调整将改变电机的输出转矩特性,使系统工作点偏离共振区域,从而规避振动问题。当电机驱动负载运行时,负载惯量将显著提升系统整体转动惯量(作用机理类似机械阻尼器),此时电机振动幅值会显著降低。
了解步进电机的工作原理对于决定适合您的应用的产品大有好处。
驱动器维修
产品知识